|
产品型号
|
D-8401Ex
|
|
产品描述
|
IP65嵌入式防爆触摸板鼠标,上嵌入式安装方式,3键触摸板布局鼠标中键为上下滚动功能,触摸板分辨率: 800dpi可进行精准快速光标定位,内置电路采用工业级标准沉金PCB板,产品通过II类本安防爆认证,广泛适用在:防爆变频器、防爆箱、各类控制柜、自动化控制等领域。
|
物理参数
|
|
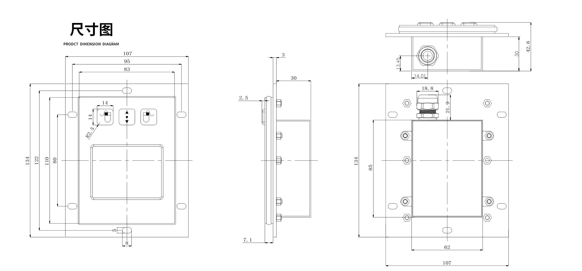
面板尺寸
|
110X83mm
|
|
按键数量
|
3个
|
|
按键尺寸
|
14*14mm
|
|
按键行程
|
≈1.5mm
|
|
按键压力
|
≈260克
|
|
按键寿命
|
<100W/次
|
|
产品材质
|
不锈钢304
|
|
PCB板工艺
|
沉金
|
|
接触方式
|
碳粒
|
|
产品净重
|
0.35KG
|
电气参数
|
|
通迅接口
|
USB/PS2可选
|
|
工作电压
|
5V士0.25
|
|
工作电流
|
≈30mA
|
|
预期使用寿命
|
5年
|
|
系统兼容
|
Windows、Linux、Android、Vxworks、国产麒麟、西门子、威纶通、昆仑通态触摸屏等系统
|
环境适应性
|
|
防护等级
|
IP65(表面)
|
|
工作温度
|
-40℃~70℃
|
|
储存温度
|
-45℃~80℃
|
|
盐雾测试
|
96小时,IEC 60512-6
|
|
平均故障时间
|
>20000H
|
|
平均修复时间
|
<30分钟
|
|
40°C潮湿测试
|
21天,IEC 60512-6
|
|
85°C干燥测试
|
10 天,IEC 60512-6
|
|
高压测试
|
60-106Kpa
|
|
ESD等级
|
接触放电6KV,空气放电8KV
|
|
相关检测
|
CE、RoHS 、FCC、防爆证
|
|
适用环境
|
矿用变频器、石油化工、防爆箱、粉尘设备、控制柜、自动化、制药厂等
|